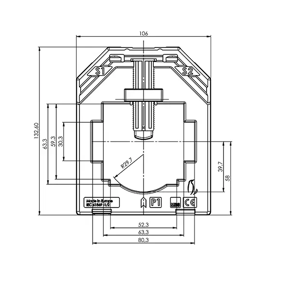
| Schiene 1 in mm | |
| Schiene 2 in mm | |
| Rundleiter in mm | |
| Baubreite in mm | |
| Bauhöhe in mm | |
| Bautiefe gesamt in mm | |
| Schnappbefestigung | |
| Quick-Fix Schnellbefestigung | |
| Plombierplatte | |
| Plombierplatte 2 |
| Primär-Strom in A | |
|---|---|
| Sekundär-Spannung in mV | |
| Genauigkeitsklasse |
- Nenndauerstrom Icth: 1,0 x Ipr
- Nennkurzzeitstrom Ith: 60 x Ipr, 1 Sek.
- Betriebsspannung Um: 0,72 kV
- Isolationsprüfspannung: 3 kV, Ueff, 50 Hz, 1 Min.
- Nenn-Frequenz: 50 Hz
- Isolierstoffklasse: E



