| Bus bar 1 in mm | 40x10 | 
| Bus bar 2 in mm | 2x30x5 | 
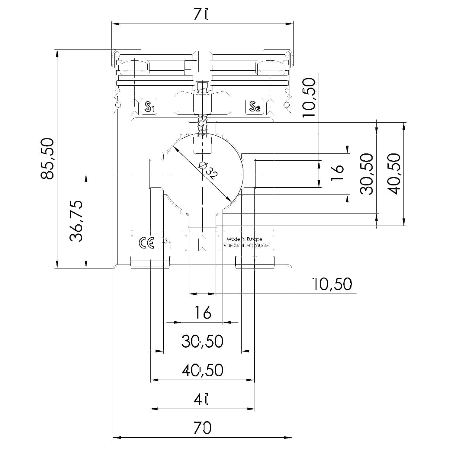
| Round conductor in mm | 32 | 
| Width in mm | 71 | 
| Height in mm | 85,5 | 
| Depth in mm | 68 | 
| Snap-on mounting | 55011 | 
| Sealed shutters | 59041 | 
| Sealed shutters 2 | 
| Primary Current | 60, 75, 80, 100, 150, 200, 250, 300, 400, 500, 600, 750, 800, 1000 | 
|---|---|
| Secondary voltage in mV | |
| Accuracy Class | 
- Therm. nominal continuous current Icth: 1,0 x Ipr
- Therm. nominal short-time current Ith: 60 x Ipr, 1 Sek.
- Max. operating voltage Um: 0,72 kV
- Isolation test voltage: 3 kV, Ueff, 50 Hz, 1 Min.
- Nominal rated frequency: 50 Hz
- Isolation class: E

 
 
